Ростов-Дон К21 лв ХРОМ Калитка (без дуги)
Для оптовиков и инсталляторов действуют специальные типы цен. Условия обговариваются с нашими менеджерами.
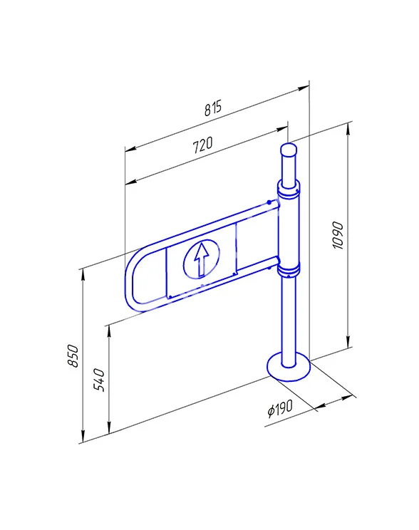
Механическая калитка Ростов-Дон К21 лв ХРОМ (внутреннее исполнение, односторонняя, левая, хромированная, без дуги)
Механическая калитка «Ростов-Дон К21 лв» ХРОМ — это премиальное решение для организации контролируемого прохода пешеходов внутри помещений без использования электропитания. Модель отличается хромированным исполнением, которое придает изделию элегантный внешний вид, высокую коррозионную стойкость и устойчивость к механическим воздействиям. Оснащена гидравлическим доводчиком, обеспечивающим плавное и бесшумное движение, и предназначена для эксплуатации в отапливаемых зданиях (климатическое исполнение УХЛ4.2, рабочий диапазон от +1°C до +50°C).
Калитка является односторонней (левой): дуга проворачивается только в одну сторону — на 90° против часовой стрелки. После прохода дуга автоматически возвращается в исходное положение под действием возвратной пружины и гидравлического доводчика, надежно перекрывая проход. Это идеальное решение для организации направленного движения в местах с высокими требованиями к эстетике и долговечности.
Особенностью модели является возможность выбора преграждающей дуги из трех типоразмеров (660, 760, 860 мм), что позволяет адаптировать ширину перекрываемого прохода от 815 до 1015 мм под конкретные задачи. Дуга приобретается отдельно, что дает заказчику гибкость в комплектации.
Калитка не требует подключения к электросети и идеально подходит для объектов, где не требуется автоматическое управление от СКУД. Хромированное покрытие гарантирует сохранение идеального внешнего вида на протяжении всего срока службы.
Ключевые преимущества калитки Ростов-Дон К21 лв ХРОМ
- Хромированное исполнение: премиальный внешний вид, высокая коррозионная стойкость, устойчивость к царапинам.
- Механическая конструкция: не требует электропитания, простота и надежность.
- Гидравлический доводчик: плавное и бесшумное открывание/закрывание.
- Автоматический возврат: после прохода дуга самостоятельно возвращается в исходное положение.
- Одностороннее исполнение (левое): дуга открывается на 90° против часовой стрелки.
- Гибкость выбора прохода: 3 типоразмера дуги (660–860 мм) — ширина перекрытия от 815 до 1015 мм.
- Компактность и легкость: масса всего 25 кг, удобство транспортировки и монтажа.
- Экономичное решение: доступная стоимость и отсутствие затрат на электроэнергию.
- Стыковка с ограждениями: возможность монтажа в едином дизайне с ограждениями «Ростов-Дон».
- Долговечность: срок службы не менее 8 лет, гарантия 24 месяца.
Функционал и особенности
- Хромированное покрытие: Премиальный внешний вид, устойчивость к коррозии и механическим повреждениям.
- Механический принцип работы: Полная автономность, отсутствие необходимости в подключении к электросети.
- Одностороннее (левое) исполнение: Дуга поворачивается только против часовой стрелки, обеспечивая строгое направление потока.
- Гидравлический доводчик: Обеспечивает плавное, бесшумное движение и автоматический возврат дуги.
- Возвратная пружина: Гарантирует надежное перекрытие прохода после каждого прохода.
- Простота монтажа: Калитка поставляется в собранном виде, не требует сложной настройки.
- Долговечность: Срок службы не менее 8 лет, гарантия 24 месяца.
Область применения
- Престижные бизнес-центры и офисные здания класса А.
- Торговые центры, бутики, выставочные комплексы.
- Гостиницы, отели, рестораны.
- Медицинские учреждения и лаборатории.
- Учебные заведения, научно-исследовательские институты.
- Объекты, где не требуется автоматизация от СКУД, но важен дизайн.
Купить механическую калитку Ростов-Дон К21 лв ХРОМ (левую) в Владивостоке можно в нашем интернет-магазине. Официальная гарантия 24 месяца, срок службы не менее 8 лет, сертифицированная продукция. Артикул производителя: 0040-01.
Комплектация поставки
- Калитка Ростов-Дон К21 лв ХРОМ (левая, хромированная, внутреннее исполнение) — 1 шт. (артикул производителя: 0040-01).
- Паспорт изделия, Руководство по эксплуатации — 1 шт.
Производитель может изменять характеристики, внешний вид и комплектацию товара без уведомления продавца. Актуальную информацию уточняйте на официальном сайте производителя.
Производитель может изменять характеристики, внешний вид и комплектацию товара без уведомления продавца. Актуальную информацию уточняйте на официальном сайте производителя.
