Ростов-Дон К22 ХРОМ Калитка (без дуги)
Для оптовиков и инсталляторов действуют специальные типы цен. Условия обговариваются с нашими менеджерами.
Механическая калитка Ростов-Дон К22 ХРОМ (внутреннее исполнение, двухсторонняя, хромированная, без дуги)
Механическая калитка «Ростов-Дон К22» ХРОМ — это премиальное решение для организации контролируемого прохода пешеходов внутри помещений без использования электропитания. Модель отличается хромированным исполнением, которое придает изделию элегантный внешний вид, высокую коррозионную стойкость и устойчивость к механическим воздействиям. Оснащена гидравлическим доводчиком, обеспечивающим плавное и бесшумное движение, и предназначена для эксплуатации в отапливаемых зданиях (климатическое исполнение УХЛ4.2, рабочий диапазон от +1°C до +50°C).
Калитка является двухсторонней: дуга поворачивается на 90° в обе стороны, что позволяет использовать ее как на вход, так и на выход без необходимости выбора направления. После прохода дуга автоматически возвращается в исходное положение под действием возвратной пружины и гидравлического доводчика, надежно перекрывая проход. Это идеальное решение для организации двунаправленного движения в местах с высокими требованиями к эстетике и долговечности.
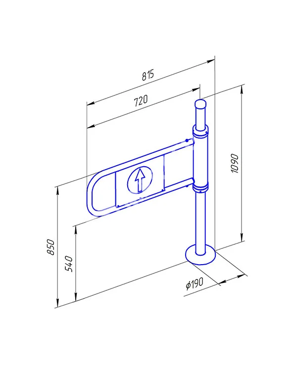
Особенностью модели является возможность выбора преграждающей дуги из трех типоразмеров (660, 760, 860 мм), что позволяет адаптировать ширину перекрываемого прохода от 815 до 1015 мм под конкретные задачи. Дуга приобретается отдельно, что дает заказчику гибкость в комплектации.
Калитка не требует подключения к электросети и идеально подходит для объектов, где не требуется автоматическое управление от СКУД. Хромированное покрытие гарантирует сохранение идеального внешнего вида на протяжении всего срока службы.
Ключевые преимущества калитки Ростов-Дон К22 ХРОМ
- Хромированное исполнение: премиальный внешний вид, высокая коррозионная стойкость, устойчивость к царапинам.
- Двухстороннее исполнение: дуга открывается на 90° в обе стороны, обеспечивая проход в обоих направлениях.
- Механическая конструкция: не требует электропитания, простота и надежность.
- Гидравлический доводчик: плавное и бесшумное открывание/закрывание.
- Автоматический возврат: после прохода дуга самостоятельно возвращается в исходное положение.
- Гибкость выбора прохода: 3 типоразмера дуги (660–860 мм) — ширина перекрытия от 815 до 1015 мм.
- Компактность и легкость: масса всего 25 кг, удобство транспортировки и монтажа.
- Экономичное решение: доступная стоимость и отсутствие затрат на электроэнергию.
- Стыковка с ограждениями: возможность монтажа в едином дизайне с ограждениями «Ростов-Дон».
- Долговечность: срок службы не менее 8 лет, гарантия 24 месяца.
Функционал и особенности
- Хромированное покрытие: Премиальный внешний вид, устойчивость к коррозии и механическим повреждениям.
- Двухстороннее исполнение: Возможность прохода в обоих направлениях без дополнительной перенастройки.
- Механический принцип работы: Полная автономность, отсутствие необходимости в подключении к электросети.
- Гидравлический доводчик: Обеспечивает плавное, бесшумное движение и автоматический возврат дуги.
- Возвратная пружина: Гарантирует надежное перекрытие прохода после каждого прохода.
- Простота монтажа: Калитка поставляется в собранном виде, не требует сложной настройки.
- Долговечность: Срок службы не менее 8 лет, гарантия 24 месяца.
Область применения
- Престижные бизнес-центры и офисные здания класса А.
- Торговые центры, бутики, выставочные комплексы.
- Гостиницы, отели, рестораны.
- Медицинские учреждения и лаборатории.
- Учебные заведения, научно-исследовательские институты.
- Объекты, где требуется двунаправленный проход без автоматизации.
Купить механическую калитку Ростов-Дон К22 ХРОМ (двухстороннюю) в Владивостоке можно в нашем интернет-магазине. Официальная гарантия 24 месяца, срок службы не менее 8 лет, сертифицированная продукция. Артикул производителя: 0051-01.
Комплектация поставки
- Калитка Ростов-Дон К22 ХРОМ (двухсторонняя, хромированная, внутреннее исполнение) — 1 шт. (артикул производителя: 0051-01).
- Паспорт изделия, Руководство по эксплуатации — 1 шт.
Производитель может изменять характеристики, внешний вид и комплектацию товара без уведомления продавца. Актуальную информацию уточняйте на официальном сайте производителя.
Производитель может изменять характеристики, внешний вид и комплектацию товара без уведомления продавца. Актуальную информацию уточняйте на официальном сайте производителя.
